Apie Produktą
NMT SAN MINI 25/40-180 – tai universalus energiškai efektyvus cirkuliacinis siurblys, sujungiantis standartinį DN25 prijungimą su vidutinės galios charakteristikomis. Su energijos efektyvumo indeksu (EEI) ≤ 0,18, šis siurblys atitinka aukščiausius aplinkosaugos ir energijos taupymo standartus, o 180 mm montavimo ilgis užtikrina lengvą įdiegimą standartinėse sistemose.
Pagrindinės Savybės
- Universalus DN25 prijungimas – standartinis 180 mm montavimo ilgis, tinkamas daugumai sistemų
- Optimalus našumas – 4,3 m pakilimas ir 3 m³/h srautas mažesnėms ir vidutinėms sistemoms
- Kintamas greitis – įmontuotas nuolatinės srovės sinchroninis variklis su dažnio keitikliu
- LCD ekranas – aiškus valdymas mygtuku, rodantis pasirinktą lygį, veikimo režimą ir klaidas
- 3 veikimo režimai – proporcingas, pastovus slėgis ir fiksuoti greičiai
- Vasaros režimas – automatinis įjungimas minimaliu greičiu, apsaugantis nuo rotoriaus blokavimo
- Elektroninė apsauga – įmontuota apsauga nuo perkrovos ir sausojo veikimo
- Tylukas – minimalus triukšmo lygis, tinkamas gyvenamųjų patalpų sistemoms
Veikimo Režimai
1. Proporcingas Slėgis (3 lygiai)
Rekomenduojamas radiatorių šildymo sistemoms ir buitinio vandens cirkuliacijai. Siurblys automatiškai reguliuoja slėgį pagal srauto poreikius, užtikrinant optimalų energijos suvartojimą.
2. Pastovus Slėgis (3 lygiai)
Idealus grindų šildymo sistemoms ir sistemoms, kurioms reikalingas stabilus slėgis. Palaiko nuolatinį slėgį nepriklausomai nuo srauto pokyčių.
3. Fiksuoti Greičiai (3 lygiai)
Tinka šildymo, vėdinimo ir buitinio vandens cirkuliacijos sistemoms, kur reikalingas pastovus siurblio greitis.
Konstrukcija ir Medžiagos
- Korpusas – nerūdijantis plienas, maksimalus patvarumas ir higieniškas
- Rotoriaus apsauga – viengabalis nerūdijantis plienas be suvirinimo siūlių
- Velenas – aukštos kokybės nerūdijantis plienas, ilgaamžis
- Darbuotė – sintetinė medžiaga, sustiprininta stiklo pluoštu
- Guoliai – grafitas, tepalai naudojant terpę (be priežiūros)
- Šiluminė izoliacija – nuimama, įeina į komplektą
Apsaugos Sistemos
- NTC terminis apsaugos jutiklis – apsaugo nuo perkaitimo
- Elektroninė apsauga nuo perkrovos – ilgaamžis ir saugus veikimas
- Sausojo veikimo apsauga – rotoriaus greitis automatiškai sumažėja iki minimumo
- Klaidų indikacija LCD ekrane – greita diagnostika su mirksėjimo kodais
- Guolių tepimas darbine terpe – be priežiūros eksploatacija
- IP44 apsaugos klasė – apsauga nuo purslų ir sąlyginio drėgnumo
Taikymas
Universalus siurblys idealiai tinka:
- Geriamojo vandens tiekimo sistemoms butams ir namams
- Buitinio vandens cirkuliacijai gyvenamųjų pastatų sistemose
- Mažos ir vidutinės galios radiatorių šildymo sistemoms
- Grindų šildymo sistemoms iki 100 m²
- Kombinuotoms šildymo sistemoms
- Šildymo ir vėdinimo sistemoms
- Pramoniniam geriamajam vandeniui cirkuliuoti
Eksploataciniai Reikalavimai
Normaliai siurblio veiklai būtina naudoti švarų vandenį, atitinkantį galiojančius vandens kokybės standartus. Temperatūrų diapazonas: nuo +2°C iki +65°C. Aplinkos temperatūra: iki 40°C. Maksimalus darbinis slėgis: 1,0 MPa (10 bar).
Privalumai
- Energijos taupymas – iki 80% mažesnis energijos suvartojimas, palyginti su standartiniais siurbliais
- Universalumas – DN25 prijungimas tinka daugumai standartinių sistemų
- Optimalus našumas – 4,3 m pakilimas ir 3 m³/h srautas mažesnėms ir vidutinėms sistemoms
- Standartinis ilgis – 180 mm montavimo ilgis lengvai keičiasi su senais siurbliais
- Patikimumas – aukštos kokybės medžiagos ir pažangios apsaugos sistemos
- Paprastas valdymas – intuityvus LCD ekranas su mygtuko valdymu
- Automatizacija – vasaros režimas užtikrina ilgaamžiškumą
- Be priežiūros – guoliai tepalami darbine terpe
Montavimo Ypatybės
Siurblys gali būti montuojamas horizontalioje arba vertikalioje padėtyje. Svarbu užtikrinti, kad siurblio ašis būtų horizontali. Prieš montavimą sistemą reikia nupraūsti. Rekomenduojama įrengti filtrą prieš siurblį, kad būtų apsaugota nuo mechaninių nešvarumų.
Pristatymo Komplektacija
- Cirkuliacinis siurblys NMT SAN MINI 25/40-180
- Nuimama šiluminė izoliacija
- Naudojimo instrukcija lietuvių kalba
- Garantinis talonas
- Montavimo rekomendacijos
Garantija ir Sertifikatai
Gaminys atitinka ISO 9906-2015 standartus ir visus Europos Sąjungos energijos efektyvumo reikalavimus. Siūlome 2 metų gamintojo garantiją ir profesionalų techninį palaikymą visą gyvavimo ciklą.
Kodėl pasirinkti NMT SAN MINI 25/40-180?
Šis modelis yra optimalus pasirinkimas, kai reikalingas standartinis DN25 prijungimas ir vidutinė galia. Idealus balansas tarp kompaktiškumo ir našumo daro jį universaliu sprendimu įvairioms buitinio ir geriamojo vandens sistemoms. Pažangūs valdymo algoritmai užtikrina maksimalų energijos taupymą, o patikima konstrukcija – ilgalaikį veikimą be gedimų.
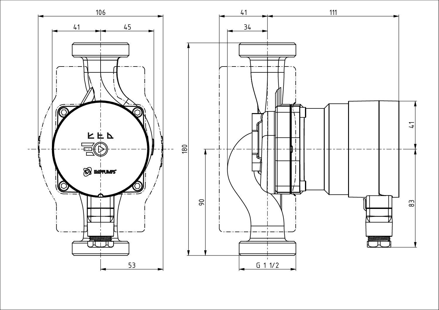
Techninės Specifikacijos
| Produkto kodas | 979525402 |
|---|---|
| Modelis | NMT SAN MINI 25/40-180 |
| Maks. pakilimas (H max) | 4,3 m |
| Maks. srautas (Q max) | 3 m³/h |
| Energijos efektyvumo indeksas | ≤0,18 |
| Maitinimo įtampa | 1~230 V |
| Dažnis | 50/60 Hz |
| Maks. galios suvartojimas | ~25-35 W |
| Izoliacijos klasė | F (155°C) |
| Apsaugos klasė | IP44 |
| Terminė apsauga | NTC |
| Perpumpuojama terpė | Vanduo (geriamasis, buitinis) |
| Skysčio temperatūra | 2 ÷ 65°C |
| Aplinkos temperatūra | iki 40°C |
| Montavimo ilgis | 180 mm |
| Vamzdžių prijungimas | DN 25 |
| Sriegis | G 1 ½” |
| Maks. darbinis slėgis | 1,0 MPa (10 bar) |
| Neto svoris | 1,80 kg |
| Variklio tipas | Nuolatinės srovės sinchroninis su dažnio keitikliu |
| Valdymas | LCD ekranas su mygtuku |
Grindinio šildymo vamzdžiai
